MC-7400 系列

Intel® 第六代 Core™ CPU 海事计算机,通过 DNV GL 认证,配置 3 个独立显示(1 x DVI-I、1 x DVI-D、1 x DisplayPort)、用于无线模块的 mini

特点和优势

  • 第六代 Intel® Core™ i5 处理器
  • DDR4 SO-DIMM 内存最大可达到 32 GB
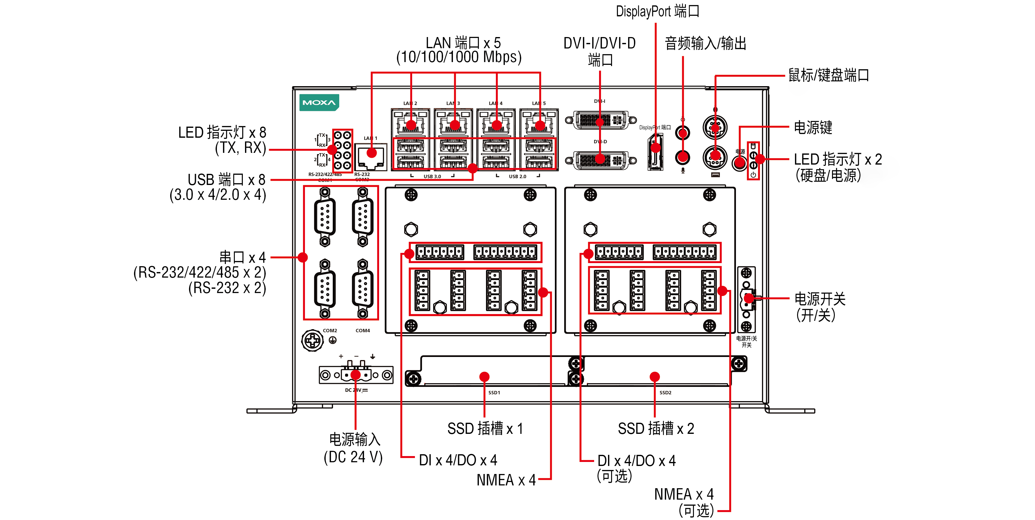
  • 3 个独立显示(1 x DVI-I、1 x DVI-D、1 x DisplayPort)
  • 多种 I/O 接口,包括 9 个 USB、5 个 LAN 和 4 个 COM 端口
  • 2 个可拆卸 2.5” SSD 存储
  • 提供交流或直流电源型号
  • 支持 Win 10 IoT 和 Debian 9 操作系统
  • 支持通过 Moxa Proactive Monitoring 监控系统状态
 

介绍

MC-7400 系列海事计算机搭载第六代 Intel® Core™ i5 处理器,可提供全方位的 I/O 连接,包括 NMEA 0183 端口、串口、千兆以太网端口,还包括 USB 2.0/3.0 端口和用于扩展的 miniPCI 插槽。 MC-7400 的设计提供出色的 PC 性能,为海事应用带来全新的灵活性和控制性能。

主动监测功能

Moxa Proactive Monitoring 软件是一款是不占空间、易于使用的小封装实用工具,用户可用于监测不同的系统参数。用户只需单击用户界面中的参数对应图标,即可查看当下的关键参数值。用户定义的关键指标 (KPI) 用于监控计算机的关键部件。当这些关键指标超过预设值时,会触发继电器和 SNMP trap 自动发出可视和/或音频警报,操作员可以轻松通过提前设置的预测性维护任务来避免系统宕机。

外观

MC-7410 AC 型号

MC-7410 DC 型号

MC-7420 AC 型号

MC-7420 DC 型号


  • 波特率

    50 bps 至 115.2 kbps

  • 接头

    DB9 公头

  • 数据位

    5、6、7、8

  • 流量控制

    用于 RS-485 的 ADDC?(数据流向自动控制),RTS/CTS,XON/XOFF

  • 隔离保护

    N/A

  • 校验位

    无、偶、奇、Space、Mark

  • NMEA 接口

    NMEA 0183:RS-422
    波特率:4800 bps
    数据位:8
    握手:无
    光隔离保护:3 kV
    校验位:无
    停止位:1、1.5、2


  • 系统

    电源 x 1
    存储 x 1

  • LAN

    每个端口 2 个 (10/100/1000 Mbps)

  • 串口

    每个端口 2 个(Tx,Rx)


  • 接头

    螺丝紧固 Euroblock 端子

  • 触点额定电流

    纯电阻性负载:2 A @ 30 VDC

  • 触点阻抗

    50 mΩ(最大)

  • 初始绝缘电阻

    1000 MΩ(最小)@ 500 VDC

  • 机械寿命

    100,000,000 次操作

  • 最小允许负载

    20 A @ 30 VDC


  • CPU

    Intel? Celeron? 处理器 G3902E(2M 缓存,1.60 GHz)
    Intel? Core? i5-6442EQ 处理器(6M 缓存,高达 2.70 GHz)

  • 系统芯片组

    Intel QM170

  • 图形控制器

    Core i5: Intel? HD Graphics 530
    Celeron:Intel? HD Graphics 510

  • 系统内存插槽

    SODIMM DDR4 插槽 x 2

  • 支持的 OS

    Windows 10 Embedded IoT Ent 2016 LTSB Value EPKEA
    Linux Debian 9
    注意:由 CTOS 提供的 OS

  • 存储卡槽

    2.5 英寸 HDD/SSD 插槽 x 2


  • 以太网端口

    自适应 10/100/1000 Mbps 端口(RJ45 接头)x 5

  • 串口

    RS-232 端口 x 2(DB9 公头)
    RS-232/422/485 端口 x 2,软件可选(DB9 公头)

  • USB 2.0

    USB 2.0 接口 x 5,type-A 接头

  • USB 3.0

    USB 3.0 接口 x 4,type A 接头

  • 音频输入/输出

    线路输入 x 1,线路输出 x 1,3.5 mm 插口

  • 数字输入

    DI x 4
    仅适用于 MC-7420 系列

  • 数字输出

    DO x 4
    仅适用于 MC-7420 系列

  • NMEA 端口

    NMEA 0183 端口 x 4(接线端子)
    仅适用于 MC-7420 系列

  • 视频输出

    DVI-D x 1,29-pin DVI-D 接头(母头)
    DVI-I x 1,29-pin DVI-I 接头(母头)
    DisplayPort 端口 x 1

  • PS/2

    键盘 PS/2 x 1 + 鼠标 PS/2 x 1


  • 电源功耗

    100 W

  • 输入电压

    100 至 240 VAC,24 VDC

  • 电源接头

    接线端子(直流型号)


  • 重量

    MC-7410 系列:5500 g (12.12 lb)
    MC-7420 系列:6000 g (13.23 lb)

  • 尺寸(有挂耳)

    MC-7410 系列:240 x 209 x 125 mm(9.45 x 8.23 x 4.92 英寸)
    MC-7420 系列:240 x 209 x 160 mm(9.45 x 8.23 x 6.3 英寸)

  • 外壳

    金属


  • 工作温度

    -25 至 55°C(-13 至 131°F)

  • 存储温度(含包装)

    -30 至 60°C(-22 至 140°F)

  • 相对湿度

    5 至 95%(非冷凝)


  • 海事

    IEC 60945

  • 安全

    CE,IEC 62368-1,UL 60950-1

  • 射频

    FCC

  • EMC

    EN 55032/24

  • EMI

    CISPR 22,FCC Part 15B Class A

  • EMS

    IEC 61000-4-2 ESD:接触:6 kV;空气:8 kV
    IEC 61000-4-3 RS:80 MHz 至 1 GHz:10 V/m
    IEC 61000-4-4 EFT:电源:2 kV;信号:1 kV
    IEC 61000-4-5 Surge:电源:1 kV;信号:1 kV
    IEC 61000-4-6 CS:10 V
    IEC 61000-4-8 PFMF

  • 绿色产品

    RoHS、CRoHS、WEEE